KAF99减速器铭牌参数说明解读含义:万彩网2816有关型号描述的详细情况及其他信息可以参阅本业附件下载中的KAF99减速器选型样本。
KAF99-DRN-7.5KW-4P-41.87-M4-90°
KAF:系列代号
99:减速机规格代号
DRN:电机
7.5KW:电机功率
4P:电机级数
41.87:减速机传动比
M4:减速机安装位置
90°:接线盒位置

KAF99减速器联轴器安装:
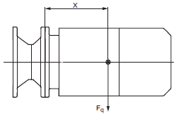
KAF99减速器联轴器安装允许荷载:安装电机时可能出现超常负荷;严禁超出下表所列的负荷值。电机的最大允许重力Fqmax随着中心距X的增加而呈线性下降;中心距X减少的情况下,最大许可重力Fqmax不增加;AM联轴器输出法兰的直径:160mm;带逆止器AM../RS的AM联轴器;安装或运行前检查驱动装置的旋转方向是否正确;错误请与BOSERL公司客户服务部联系。齿轮减速电机

KAF99AM联轴器型号 | X1) [mm] | F q [N] |
IEC | NEMA | IEC AM联轴器 | NEMA AM联轴器 |
AM63/71 | AM65 | 77 | 530 | 410 |
AM80/90 | AM143/145 | 113 | 420 | 380 |
AM100/112 | AM182/184 | 144 | 2000 | 1760 |
AM132 | AM213/215 | 186 | 1600 | 1250 |
AM132 | AM213/215 | 186 | 4700 | 3690 |
AM160/180 | AM254/286 | 251 | 4600 | 4340 |
AM200/225 | 万彩网2816AM324-AM365 | 297 | 5600 | 5250 |
AM250/280 | - | 390 | 11200 | - |
KAF99减速器联轴器安装步骤:清洁电机轴和连接表面以及联轴器;拆下电机轴的键并且使用随带的键[484]代替(不包括AM63以及AM250);半联轴器[479]加热到约80-100°C,然后推入电机轴。对半联轴器定位如下:IEC-联轴器AM63-225安装至电机轴轴肩处,IEC-联轴器AM250-280安装至尺寸A处,带轴套[491]的NEMA-联轴器安装至尺寸A处;按照下表中扭矩值TA,使用紧固螺钉[481]将键和半联轴器固定在电机轴上;检查安装尺寸A;采用合适的表面密封材料对联轴器及电机的接触平面进行密封;将电机装在联轴器上,装配中确保两个半联轴器与梅花弹性体啮合良好。[1]电机轴,[479]半联轴器,[481]紧固螺钉,[484]键,[491]轴套。直角减速机

IEC AM | 63/71 | 80/ 90 | 100/ 112 | 132 | 160/ 180 | 200 | 225 | 250/ 280 |
A | 24.5 | 31.5 | 41.5 | 54 | 76 | 78.5 | 93.5 | 139 |
TA | 1.5 | 1.5 | 4.8 | 4.8 | 10 | 17 | 17 | 17 |
螺纹 | M4 | M4 | M6 | M6 | M8 | M10 | M10 | M10 |
NEMA AM | 56 | 143/145 | 182/184 | 213/ 215 | 254/256 | 284/286 | 324/ 326 | 364/ 365 |
A | 46 | 43 | 55 | 63.5 | 78.5 | 85.5 | 107 | 107 |
TA | 1.5 | 1.5 | 4.8 | 4.8 | 10 | 17 | 17 | 17 |
螺纹 | M4 | M4 | M6 | M6 | M8 | M10 | M10 | M10 |
KAF99减速器联轴器安装提示:未避免配合出发生腐蚀,建议在装配半联轴器之前用润滑油涂覆电机轴。
KAF99减速器联轴器安装注意事项:将电机装配到联轴器时,联轴器中可能渗人水汽;用抗氧化密封胶密封联轴器和电机法兰连接面。
KAF99减速器检查维修:
KAF99减速器的操作工作只可由经过培训的专业人员执行。专业人员是指熟悉安装位置、机械安装、产品的故障排除与维护并具备下列资质的人员: 接受过机械专业的培训(如机械工程师或机电工程师)并通过结业考试。违规拆必要的防护罩板、设备的不当使用以及错误安装或操作设备均可导致严重的人员伤害或财产损失。二级减速机
万彩网2816KAF99减速器联轴器AL/AM/AQ的检查/维修:轴承、联轴器,检查是否可能因轴承损坏产生运转噪音,检查联轴器是否漏油;弹性体,检查圆周齿隙,检查联轴器的弹性体;轴承、油封、弹性体,更换滚动轴承润滑脂,更换油封(不要安装在同样工作轨迹上),更换弹性体。
万彩网2816KAF99减速器输入端装置AD的检查/维修:轴承、联轴器,检查是否可能因轴承损坏产生运转噪音,检查联轴器是否漏油;轴承,更换滚动轴承油脂;油封,更换油封。为了避免高径向力:请按图B装配齿轮或者链轮。

收到KAF99减速器后请立即检查送货有无运输损坏。如有损坏请立即通知运输公司。必要情况下不得对设备进行调试运行。拧紧运输吊耳。由于吊耳的设计负载仅针对电机/减速电机重量,因此不得额外增加负荷。已经安装好的吊环螺栓符合GB825的规定。原则上要遵守标准中所注明的负荷和规定。如果减速电机上装有两个吊耳或者吊环螺栓,则运输时必须用两个吊环同时进行吊装。根据GB825规定,吊装件的拉力方向不得超过45度斜角。必要情况下,应使用相应的、有足够承载力的运输工具。调试前拆除所有运输紧固件。
KAF99减速器调试/运行:在没有连接外部设备的状态下检查转向是否正确。检查时注意转动过程中是否产生异常摩擦声。调试运行时,若未安装输出部件,则应紧固键。检测装置和保护装置即使在试运行状态下亦不得关闭。若出现不同与正常运行状态的变化(例如升温、噪音、震动),则必须在可疑情况下关闭减速电机。查明原因,并在必要情况下与BOSERL公司联系。

KAF99减速器型号:
万彩网2816XDKAF97-Y1.1KWAF,XDKAF97-Y1.5KWAF,XDKAF97-Y100M4,XDKAF97-Y112M4,XDKAF97-Y11KWAF,XDKAF97-Y132M4,XDKAF97-Y15KWAF,XDKAF97-Y160M4,XDKAF97-Y18.5KWAF,XDKAF97-Y180M4,XDKAF97-Y2.2KWAF,XDKAF97-Y200M4,XDKAF97-Y22KWAF,XDKAF97-Y30KWAF,XDKAF97-Y3KWAF,XDKAF97-Y4KWAF,XDKAF97-Y5.5KWAF,XDKAF97-Y7.5KWAF,XDKAF97-Y80M4,XDKAF97-Y90M4,XDKAF97-YB100M4,XDKAF97-YB112M4,XDKAF97-YB132M4,XDKAF97-YB160M4,XDKAF97-YB180M4,XDKAF97-YB200M4,XDKAF97-YB80M4,XDKAF97-YB90M4,XDKAF97-YDP100M4,XDKAF97-YDP112M4,XDKAF97-YDP132M4,XDKAF97-YDP160M4,XDKAF97-YDP180M4,XDKAF97-YDP200M4,XDKAF97-YDP80M4,XDKAF97-YDP90M4,XDKAF97-YE100M4,XDKAF97-YE112M4,XDKAF97-YE132M4,XDKAF97-YE160M4,XDKAF97-YE180M4,XDKAF97-YE200M4,XDKAF97-YE80M4,XDKAF97-YE90M4,XDKAF97-YEJ100M4,XDKAF97-YEJ112M4,XDKAF97-YEJ132M4,XDKAF97-YEJ160M4,XDKAF97-YEJ180M4,XDKAF97-YEJ200M4,XDKAF97-YEJ80M4,XDKAF97-YEJ90M4,XDKAF97-YEJB100M4,XDKAF97-YEJB112M4,XDKAF97-YEJB132M4,XDKAF97-YEJB160M4,XDKAF97-YEJB180M4,XDKAF97-YEJB200M4,XDKAF97-YEJB80M4,XDKAF97-YEJB90M4,XDKAF97-YP100M4,XDKAF97-YP112M4,XDKAF97-YP132M4,XDKAF97-YP160M4,XDKAF97-YP180M4,XDKAF97-YP200M4,XDKAF97-YP80M4,XDKAF97-YP90M4,XDKAF97-YPB100M4,XDKAF97-YPB112M4,XDKAF97-YPB132M4,XDKAF97-YPB160M4,XDKAF97-YPB180M4,XDKAF97-YPB200M4,XDKAF97-YPB80M4,XDKAF97-YPB90M4,XDKAF97-YPE100M4,XDKAF97-YPE112M4,XDKAF97-YPE132M4,XDKAF97-YPE160M4,XDKAF97-YPE180M4,XDKAF97-YPE200M4,XDKAF97-YPE80M4,XDKAF97-YPE90M4,XDKAF97-YS100M4,XDKAF97-YS112M4,XDKAF97-YS132M4,XDKAF97-YS160M4,XDKAF97-YS180M4,XDKAF97-YS200M4,XDKAF97-YS80M4,XDKAF97-YS90M4,XDKAF97-YVB100M4,XDKAF97-YVB112M4,XDKAF97-YVB132M4,XDKAF97-YVB160M4,XDKAF97-YVB180M4,XDKAF97-YVB200M4,XDKAF97-YVB80M4,XDKAF97-YVB90M4,XDKAF97-YVP100M4,XDKAF97-YVP112M4,XDKAF97-YVP132M4,XDKAF97-YVP160M4,XDKAF97-YVP180M4,XDKAF97-YVP200M4,XDKAF97-YVP80M4,XDKAF97-YVP90M4,XDKAF97-YVPEJ100M4,XDKAF97-YVPEJ112M4,XDKAF97-YVPEJ132M4,XDKAF97-YVPEJ160M4,XDKAF97-YVPEJ180M4,XDKAF97-YVPEJ200M4,XDKAF97-YVPEJ80M4,XDKAF97-YVPEJ90M4,KWAF97-Y1.1KWAF,KWAF97-Y1.5KWAF,KWAF97-Y100M4,KWAF97-Y112M4,KWAF97-Y11KWAF,KWAF97-Y132M4,KWAF97-Y15KWAF,KWAF97-Y160M4,KWAF97-Y18.5KWAF,KWAF97-Y180M4,KWAF97-Y2.2KWAF,KWAF97-Y200M4,KWAF97-Y22KWAF,KWAF97-Y30KWAF,KWAF97-Y3KWAF,KWAF97-Y4KWAF,KWAF97-Y5.5KWAF,KWAF97-Y7.5KWAF,KWAF97-Y80M4,KWAF97-Y90M4,KWAF97-YB100M4,KWAF97-YB112M4,KWAF97-YB132M4,KWAF97-YB160M4,KWAF97-YB180M4,KWAF97-YB200M4,KWAF97-YB80M4,KWAF97-YB90M4,KWAF97-YDP100M4,KWAF97-YDP112M4,KWAF97-YDP132M4,KWAF97-YDP160M4,KWAF97-YDP180M4,KWAF97-YDP200M4,KWAF97-YDP80M4,KWAF97-YDP90M4,KWAF97-YE100M4,KWAF97-YE112M4,KWAF97-YE132M4,KWAF97-YE160M4,KWAF97-YE180M4,KWAF97-YE200M4,KWAF97-YE80M4,KWAF97-YE90M4,KWAF97-YEJ100M4,KWAF97-YEJ112M4,KWAF97-YEJ132M4,KWAF97-YEJ160M4,KWAF97-YEJ180M4,KWAF97-YEJ200M4,KWAF97-YEJ80M4,KWAF97-YEJ90M4,KWAF97-YEJB100M4,KWAF97-YEJB112M4,KWAF97-YEJB132M4,KWAF97-YEJB160M4,KWAF97-YEJB180M4,KWAF97-YEJB200M4,KWAF97-YEJB80M4,KWAF97-YEJB90M4,KWAF97-YP100M4,KWAF97-YP112M4,KWAF97-YP132M4,KWAF97-YP160M4,KWAF97-YP180M4,KWAF97-YP200M4,KWAF97-YP80M4,KWAF97-YP90M4,KWAF97-YPB100M4,KWAF97-YPB112M4,KWAF97-YPB132M4,KWAF97-YPB160M4,KWAF97-YPB180M4,KWAF97-YPB200M4,KWAF97-YPB80M4,KWAF97-YPB90M4,KWAF97-YPE100M4,KWAF97-YPE112M4,KWAF97-YPE132M4,KWAF97-YPE160M4,KWAF97-YPE180M4,KWAF97-YPE200M4,KWAF97-YPE80M4,KWAF97-YPE90M4,KWAF97-YS100M4,KWAF97-YS112M4,KWAF97-YS132M4,KWAF97-YS160M4,KWAF97-YS180M4,KWAF97-YS200M4,KWAF97-YS80M4,KWAF97-YS90M4,KWAF97-YVB100M4,KWAF97-YVB112M4,KWAF97-YVB132M4,KWAF97-YVB160M4,KWAF97-YVB180M4,KWAF97-YVB200M4,KWAF97-YVB80M4,KWAF97-YVB90M4,KWAF97-YVP100M4,KWAF97-YVP112M4,KWAF97-YVP132M4,KWAF97-YVP160M4,KWAF97-YVP180M4,KWAF97-YVP200M4,KWAF97-YVP80M4,KWAF97-YVP90M4,KWAF97-YVPEJ100M4,KWAF97-YVPEJ112M4,KWAF97-YVPEJ132M4,KWAF97-YVPEJ160M4,KWAF97-YVPEJ180M4,KWAF97-YVPEJ200M4,KWAF97-YVPEJ80M4,KWAF97-YVPEJ90M4,YQKAF97-Y1.1KWAF,YQKAF97-Y1.5KWAF,YQKAF97-Y100M4,YQKAF97-Y112M4,YQKAF97-Y11KWAF,YQKAF97-Y132M4,YQKAF97-Y15KWAF,YQKAF97-Y160M4,YQKAF97-Y18.5KWAF,YQKAF97-Y180M4,YQKAF97-Y2.2KWAF,YQKAF97-Y200M4,YQKAF97-Y22KWAF,YQKAF97-Y30KWAF,YQKAF97-Y3KWAF,YQKAF97-Y4KWAF,YQKAF97-Y5.5KWAF,YQKAF97-Y7.5KWAF,YQKAF97-Y80M4,YQKAF97-Y90M4,YQKAF97-YB100M4,YQKAF97-YB112M4,YQKAF97-YB132M4,YQKAF97-YB160M4,YQKAF97-YB180M4,YQKAF97-YB200M4,YQKAF97-YB80M4,YQKAF97-YB90M4,YQKAF97-YDP100M4,YQKAF97-YDP112M4,YQKAF97-YDP132M4,YQKAF97-YDP160M4,YQKAF97-YDP180M4,YQKAF97-YDP200M4,YQKAF97-YDP80M4,YQKAF97-YDP90M4,YQKAF97-YE100M4,YQKAF97-YE112M4,YQKAF97-YE132M4,YQKAF97-YE160M4,YQKAF97-YE180M4,YQKAF97-YE200M4,YQKAF97-YE80M4,YQKAF97-YE90M4,YQKAF97-YEJ100M4,YQKAF97-YEJ112M4,YQKAF97-YEJ132M4,YQKAF97-YEJ160M4,YQKAF97-YEJ180M4,YQKAF97-YEJ200M4,YQKAF97-YEJ80M4,YQKAF97-YEJ90M4,YQKAF97-YEJB100M4,YQKAF97-YEJB112M4,YQKAF97-YEJB132M4,YQKAF97-YEJB160M4,YQKAF97-YEJB180M4,YQKAF97-YEJB200M4,YQKAF97-YEJB80M4,YQKAF97-YEJB90M4,YQKAF97-YP100M4,YQKAF97-YP112M4,YQKAF97-YP132M4,YQKAF97-YP160M4,YQKAF97-YP180M4,YQKAF97-YP200M4,YQKAF97-YP80M4,YQKAF97-YP90M4,YQKAF97-YPB100M4,YQKAF97-YPB112M4,YQKAF97-YPB132M4,YQKAF97-YPB160M4,YQKAF97-YPB180M4,YQKAF97-YPB200M4,YQKAF97-YPB80M4,YQKAF97-YPB90M4,YQKAF97-YPE100M4,YQKAF97-YPE112M4,YQKAF97-YPE132M4,YQKAF97-YPE160M4,YQKAF97-YPE180M4,YQKAF97-YPE200M4,YQKAF97-YPE80M4,YQKAF97-YPE90M4,YQKAF97-YS100M4,YQKAF97-YS112M4,YQKAF97-YS132M4,YQKAF97-YS160M4,YQKAF97-YS180M4,YQKAF97-YS200M4,YQKAF97-YS80M4,YQKAF97-YS90M4,YQKAF97-YVB100M4,YQKAF97-YVB112M4,YQKAF97-YVB132M4,YQKAF97-YVB160M4,YQKAF97-YVB180M4,YQKAF97-YVB200M4,YQKAF97-YVB80M4,YQKAF97-YVB90M4,YQKAF97-YVP100M4,YQKAF97-YVP112M4,YQKAF97-YVP132M4,YQKAF97-YVP160M4,YQKAF97-YVP180M4,YQKAF97-YVP200M4,YQKAF97-YVP80M4,YQKAF97-YVP90M4,YQKAF97-YVPEJ100M4,YQKAF97-YVPEJ112M4,YQKAF97-YVPEJ132M4,YQKAF97-YVPEJ160M4,YQKAF97-YVPEJ180M4,YQKAF97-YVPEJ200M4,YQKAF97-YVPEJ80M4,YQKAF97-YVPEJ90M4,JCKAF97-Y1.1KWAF,JCKAF97-Y1.5KWAF,JCKAF97-Y100M4,JCKAF97-Y112M4,JCKAF97-Y11KWAF,JCKAF97-Y132M4,JCKAF97-Y15KWAF,JCKAF97-Y160M4,JCKAF97-Y18.5KWAF,JCKAF97-Y180M4,JCKAF97-Y2.2KWAF,JCKAF97-Y200M4,JCKAF97-Y22KWAF,JCKAF97-Y30KWAF,JCKAF97-Y3KWAF,JCKAF97-Y4KWAF,JCKAF97-Y5.5KWAF,JCKAF97-Y7.5KWAF,JCKAF97-Y80M4,JCKAF97-Y90M4,JCKAF97-YB100M4,JCKAF97-YB112M4,JCKAF97-YB132M4,JCKAF97-YB160M4,JCKAF97-YB180M4,JCKAF97-YB200M4,JCKAF97-YB80M4,JCKAF97-YB90M4,JCKAF97-YDP100M4,JCKAF97-YDP112M4,JCKAF97-YDP132M4,JCKAF97-YDP160M4,JCKAF97-YDP180M4,JCKAF97-YDP200M4,JCKAF97-YDP80M4,JCKAF97-YDP90M4,JCKAF97-YE100M4,JCKAF97-YE112M4,JCKAF97-YE132M4,JCKAF97-YE160M4,JCKAF97-YE180M4,JCKAF97-YE200M4,JCKAF97-YE80M4,JCKAF97-YE90M4,JCKAF97-YEJ100M4,JCKAF97-YEJ112M4,JCKAF97-YEJ132M4,JCKAF97-YEJ160M4,JCKAF97-YEJ180M4,JCKAF97-YEJ200M4,JCKAF97-YEJ80M4,JCKAF97-YEJ90M4,JCKAF97-YEJB100M4,JCKAF97-YEJB112M4,JCKAF97-YEJB132M4,JCKAF97-YEJB160M4,JCKAF97-YEJB180M4,JCKAF97-YEJB200M4,JCKAF97-YEJB80M4,JCKAF97-YEJB90M4,JCKAF97-YP100M4,JCKAF97-YP112M4,JCKAF97-YP132M4,JCKAF97-YP160M4,JCKAF97-YP180M4,JCKAF97-YP200M4,JCKAF97-YP80M4,JCKAF97-YP90M4,JCKAF97-YPB100M4,JCKAF97-YPB112M4,JCKAF97-YPB132M4,JCKAF97-YPB160M4,JCKAF97-YPB180M4,JCKAF97-YPB200M4,JCKAF97-YPB80M4,JCKAF97-YPB90M4,JCKAF97-YPE100M4,JCKAF97-YPE112M4,JCKAF97-YPE132M4,JCKAF97-YPE160M4,JCKAF97-YPE180M4,JCKAF97-YPE200M4,JCKAF97-YPE80M4,JCKAF97-YPE90M4,JCKAF97-YS100M4,JCKAF97-YS112M4,JCKAF97-YS132M4,JCKAF97-YS160M4,JCKAF97-YS180M4,JCKAF97-YS200M4,JCKAF97-YS80M4,JCKAF97-YS90M4,JCKAF97-YVB100M4,JCKAF97-YVB112M4,JCKAF97-YVB132M4,JCKAF97-YVB160M4,JCKAF97-YVB180M4,JCKAF97-YVB200M4,JCKAF97-YVB80M4,JCKAF97-YVB90M4,JCKAF97-YVP100M4,JCKAF97-YVP112M4,JCKAF97-YVP132M4,JCKAF97-YVP160M4,JCKAF97-YVP180M4,JCKAF97-YVP200M4,JCKAF97-YVP80M4,JCKAF97-YVP90M4,JCKAF97-YVPEJ100M4,JCKAF97-YVPEJ112M4,JCKAF97-YVPEJ132M4,JCKAF97-YVPEJ160M4,JCKAF97-YVPEJ180M4,JCKAF97-YVPEJ200M4,JCKAF97-YVPEJ80M4,JCKAF97-YVPEJ90M4,KAF99-Y1.1KWAF,KAF99-Y1.5KWAF,KAF99-Y100M4,KAF99-Y112M4,KAF99-Y11KWAF,KAF99-Y132M4,KAF99-Y15KWAF,KAF99-Y160M4,KAF99-Y18.5KWAF,KAF99-Y180M4,KAF99-Y2.2KWAF,KAF99-Y200M4,KAF99-Y22KWAF,KAF99-Y30KWAF,KAF99-Y3KWAF,KAF99-Y4KWAF,KAF99-Y5.5KWAF,KAF99-Y7.5KWAF,KAF99-Y80M4,KAF99-Y90M4,KAF99-YB100M4,KAF99-YB112M4,KAF99-YB132M4,KAF99-YB160M4,KAF99-YB180M4,KAF99-YB200M4,KAF99-YB80M4,KAF99-YB90M4,KAF99-YDP100M4,KAF99-YDP112M4,KAF99-YDP132M4,KAF99-YDP160M4,KAF99-YDP180M4,KAF99-YDP200M4,KAF99-YDP80M4,KAF99-YDP90M4,KAF99-YE100M4,KAF99-YE112M4,KAF99-YE132M4,KAF99-YE160M4,KAF99-YE180M4,KAF99-YE200M4,KAF99-YE80M4,KAF99-YE90M4,KAF99-YEJ100M4,KAF99-YEJ112M4,KAF99-YEJ132M4,KAF99-YEJ160M4,KAF99-YEJ180M4,KAF99-YEJ200M4,KAF99-YEJ80M4,KAF99-YEJ90M4,KAF99-YEJB100M4,KAF99-YEJB112M4,KAF99-YEJB132M4,KAF99-YEJB160M4,KAF99-YEJB180M4,KAF99-YEJB200M4,KAF99-YEJB80M4,KAF99-YEJB90M4,KAF99-YP100M4,KAF99-YP112M4,KAF99-YP132M4,KAF99-YP160M4,KAF99-YP180M4,KAF99-YP200M4,KAF99-YP80M4,KAF99-YP90M4,KAF99-YPB100M4,KAF99-YPB112M4,KAF99-YPB132M4,KAF99-YPB160M4,KAF99-YPB180M4,KAF99-YPB200M4,KAF99-YPB80M4,KAF99-YPB90M4,KAF99-YPE100M4,KAF99-YPE112M4,KAF99-YPE132M4,KAF99-YPE160M4,KAF99-YPE180M4,KAF99-YPE200M4,KAF99-YPE80M4,KAF99-YPE90M4,KAF99-YS100M4,KAF99-YS112M4,KAF99-YS132M4,KAF99-YS160M4,KAF99-YS180M4,KAF99-YS200M4,KAF99-YS80M4,KAF99-YS90M4,KAF99-YVB100M4,KAF99-YVB112M4,KAF99-YVB132M4,KAF99-YVB160M4,KAF99-YVB180M4,KAF99-YVB200M4,KAF99-YVB80M4,KAF99-YVB90M4,KAF99-YVP100M4,KAF99-YVP112M4,KAF99-YVP132M4,KAF99-YVP160M4,KAF99-YVP180M4,KAF99-YVP200M4,KAF99-YVP80M4,KAF99-YVP90M4,KAF99-YVPEJ100M4,KAF99-YVPEJ112M4,KAF99-YVPEJ132M4,KAF99-YVPEJ160M4,KAF99-YVPEJ180M4,KAF99-YVPEJ200M4,KAF99-YVPEJ80M4,KAF99-YVPEJ90M4,KAF97SF80,KAF97SF90,KAF97SF100,KAF97SF112,KAF97SF115,KAF97SF140,KAF97SF160,KAF97SF190。
KAF99减速器生产厂家展示:看厂请联系微信13827261050,获取位置,需提前一天预约http://iowaprofamily.org/product/list-kafxiliejiansuji-cn.html




推荐类似型号:K99减速机
关键词:二级减速机带电机一体机_三相异步减速电机_三级减速机_角向减速机_GKAF系列减速机_KAF系列减速机_KAF系列减速器_三相异步减速机_二级减速器_三级减速器
KAF系列齿轮减速电机型号:KAF39减速机,KAF49减速机,KAF59减速机,KAF69减速机,KAF79减速机,KAF89减速机,KAF99减速机,KAF109减速机,KAF129减速机,KAF159减速机,KAF167减速机,KAF187减速机
KAF系列直角减速机可配变频电机,刹车电机,防爆电机,伺服电机,交流电机,直流电机,三相电机,单相电机 0.12KW-200KW之间
如需工程师帮选型,请加微信13827261050,留言告知工程师参数要求
标签:  KAF99减速器 KAF97斜齿轮减速机 KAF97减速机3D模型 KAF97卧式减速机一体机 KAF97立式减速机一体机 KAF97伺服减速机